Le CR3 rail solaire économique est en aluminium AL6005 - T5, approprié pour les montage de systèmes solaires sur les toits avec petit vent speed.Easy pour installer, longueur pourrait être personnalisé selon par projet exigence.
Caractéristiques
seulement 7 jours pour production
10 - 12um anodisation sur les côtés
longueur pourrait être personnalisé
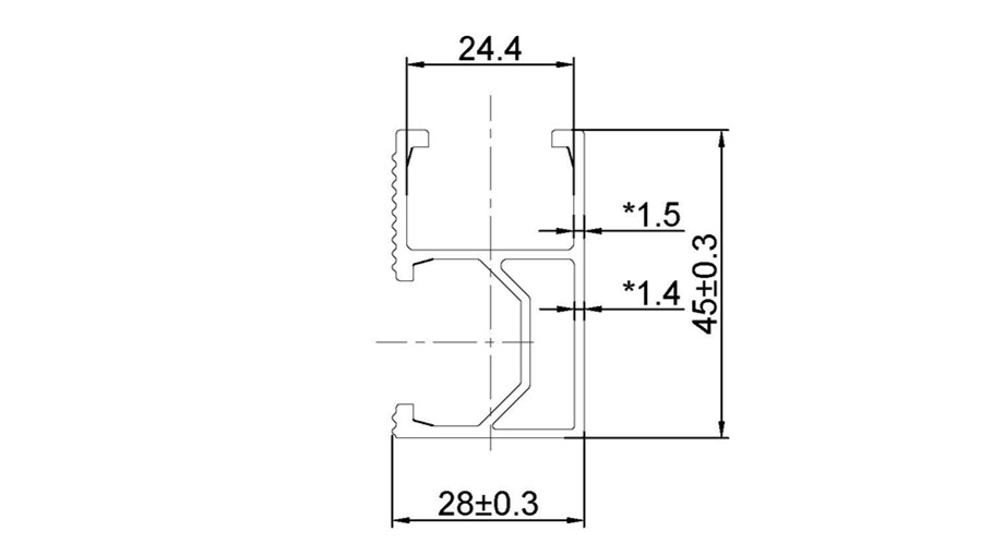
dessin

Tél : +86-592-3502642
Email : info@kinsend.com


























IPv6 réseau pris en charge